5
ФИЛЬТРЫ (TOYOTA 02-7FD15 - АКПП / 7FD15 - МКПП) 
1703-20B 000005800 ФИЛЬТР ВОЗДУШНЫЙ
1703-20C 000000385 ФИЛЬТР ВОЗДУШНЫЙ ВНУТРЕННИЙ
1502-20 000001658 ФИЛЬТР МАСЛЯНЫЙ ДВИГАТЕЛЯ 1DZII
2302-25 000000013 ФИЛЬТР ТОПЛИВНЫЙ
либо
2302-25 000000018 ФИЛЬТР ТОПЛИВНЫЙ
3213-10 000038739 ФИЛЬТР МАСЛЯНЫЙ АКПП
-
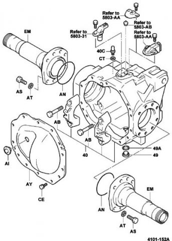
4101 208 ДИФФЕРЕНЦИАЛ
Для примера взяли вилочный погрузчик Toyota 02-7FD18 серийный № 7FD18-20956

-
4101 10 - 1 - 000022295 ПЛАНЕТАРНАЯ ПАРА
4101 10A - 1 - 000006735 КОНИЧЕСКИЙ ПОДШИПНИК
4101 10C - 1 - 000018467 ГАЙКА
4101 10D - 1 - 000063830 ШАЙБА (T=0.13)
4101 10D - 1 - 000005769 ШАЙБА (T=0.10)
4101 10D - 1 - 000005740 ШАЙБА (T=0.15)
4101 10D - 1 - 000063831 ШАЙБА (T=0.35)
4101 10D - 1 - 000004482 ШАЙБА (T=0.40)
4101 10E - 1 - 000006735 КОНИЧЕСКИЙ ПОДШИПНИК
-
4101 47 - 1 - 000054530 ОСЬ ШЕСТЕРНИ САТЕЛИТА
4101 48 - 2 - 000004477 ШЕСТЕРНЯ ДИФФЕРЕНЦИАЛА
4101 AO - 1 - 000063836 ВТУЛКА ПОДШИПНИКА
4101 BE - 1 - 000026387 ПРОКЛАДКА
4101 EW - 1 - 000023309 КРЫШКА ДИФЕРЕНЦИАЛА
-
4101 59A - 1 - 000000417 САЛЬНИК КАРДАНА
-
4101-152A ДИФФЕРЕНЦИАЛ

-
Для примера взяли вилочный погрузчик Toyota 02-7FD18 серийный №21966
000002175 РЕМКОМПЛЕКТ ЦИЛИНДРА НАКЛОНА (ШТОК 30ММ)
Предусмотрено ТРИ варианта поиска запчасти для погрузчиков и складской техники: Toyota
Нет каталога запчастей или каталожных номеров запчастей для вашего погрузчика Toyota - не проблема!
Пришлите нам данные по технике (серийный номер или фото шильдика) и список необходимых запчастей, мы подберем нужные Вам запчасти.
Купите запчасти для погрузчиков Toyota (Тойота) по каталожному номеру на сайте TotalParts.ru
Масло для погрузчика Toyota (Тойота): моторное масло для Toyota (Тойота), трансмиссионное масло для Toyota (Тойота), гидравлическое масло для техники Toyota (Тойота).
Охлаждающие жидкости для погрузчиков Toyota (Тойота).
Смазки для погрузчиков Toyota (Тойота): спреи для смазки цепей погрузчиков Toyota (Тойота), пасты для смазки узлов погрузчиков Toyota (Тойота).
Жидкости для погрузчиков Toyota (Тойота): тормозные жидкости для погрузчиков Toyota (Тойота).
Любые оригинальные каталоги запчастей Toyota для погрузчиков и складской техники
Так же мы предлагаем для погрузчиков и складской техники Toyota (Тойота):
Колеса и ролики для электроштабелеров, ричтраков, узкопроходных штабелеров и тележек Toyota (Тойота)
Навариваем полиуретаном изношеные колеса и ролики для электроштабелеров, ричтраков, узкопроходных штабелеров и тележек Toyota (Тойота)
Цельнолитые шины, пневматические шины и бандажные для погрузчиков Toyota (Тойота)
Цепи протовоскольжения для погрузчиков Toyota
Шиномонтаж цельнолитых шин для погрузчиков Toyota (Тойота) на диски
Поставляем готовые колесные диски для погрузчиков Toyota (Тойота)
Изготавливаем любые колесные диски для погрузчиков Toyota (Тойота) по образцу или чертежу заказчика
Изготавливаем платформы для подъема людей на погрузчике (люлька для подъема людей погрузчиком Toyota)
Удлинители вил для погрузчиков Toyota (Тойота)
Есть вопрос? Нужна помощь? Мы здесь для вас и рады помочь!
Свяжитесь с одним из наших специалистов, перейдя в раздел "информация" непосредственно по телефону или электронной почте.
Подобрать запчасти TOYOTA для других моделей погрузчиков или складской техники Тойота
Подбор запчастей для двигателей погрузчиков по модели двигателя
Подбор запчастей для погрузчика и складской техники по модели