1
STILL R60-20 51 6022 ****** ELECTRIC FORK TRUCK SPARE PARTS LIST
STILL R60-25 51 6022 ****** ELECTRIC FORK TRUCK SPARE PARTS LIST
STILL R60-30 51 6022 ****** ELECTRIC FORK TRUCK SPARE PARTS LIST
STILL R60-20 51 6023 ****** ELECTRIC FORK TRUCK SPARE PARTS LIST
STILL R60-25 51 6023 ****** ELECTRIC FORK TRUCK SPARE PARTS LIST
STILL R60-30 51 6023 ****** ELECTRIC FORK TRUCK SPARE PARTS LIST
STILL R60-20 51 6024 ****** ELECTRIC FORK TRUCK SPARE PARTS LIST
STILL R60-25 51 6024 ****** ELECTRIC FORK TRUCK SPARE PARTS LIST
STILL R60-30 51 6024 ****** ELECTRIC FORK TRUCK SPARE PARTS LIST
STILL R60-20 51 6025 ****** ELECTRIC FORK TRUCK SPARE PARTS LIST
STILL R60-25 51 6025 ****** ELECTRIC FORK TRUCK SPARE PARTS LIST
STILL R60-30 51 6025 ****** ELECTRIC FORK TRUCK SPARE PARTS LIST
ФИЛЬТРА
-
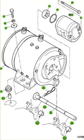
РУЛЕВОЙ МОСТ
STEERING AXLE
Для примера взяли вилочный погрузчик R60-30 серийный номер 51 6025 009165

-
27 - 2 - 000001738 МАСЛОСЪЕМНЫЙ САЛЬНИК
28 - 2 - 000007760 ВНУТРЕННИЙ ПОДШИПНИК СТУПИЦЫ РУЛЕВОГО МОСТА
-
31 - 2 - 000007567 ВНЕШНИЙ ПОДШИПНИК СТУПИЦЫ РУЛЕВОГО МОСТА
-
БЛОК ВЕДУЩЕГО КОЛЕСА (ЛЕВЫЙ)
DRIVE WHEEL UNIT (Left)

-
7 - 2 - 000061933 КОНИЧЕСКИЙ ПОДШИПНИК
8 - 1 - 000061934 МАСЛОСЪЕМНЫЙ САЛЬНИК
-
29 - 1 - 000061932 КОЛЬЦЕВОЕ УПЛОТНЕНИЕ
-
ГИДРАВЛИЧЕСКАЯ СИСТЕМА
HYDRAULIC SYSTEM

1 -3 - 1 - 000006087 ФИЛЬТР ГИДРАВЛИКИ
-
НАСОСНЫЙ АГРЕГАТ
PUMP UNIT

-
2-5 - 1 - 000031760 НАСОС ГИДРАВЛИКИ
-
-
Предусмотрено ТРИ варианта поиска запчасти для погрузчиков и складской техники: STILL
Если у Вас нет каталога запчастей и каталожных номеров запчастей для вашей складской техники или погрузчика Still - не проблема!
Пришлите нам данные по технике (серийный номер или фото шильдика) и список необходимых запчастей Still, мы подберем нужные Вам запчасти.
Купите запчасти для погрузчиков Still по каталожному номеру на сайте TotalParts.ru
Масло для погрузчика Still: моторное масло, трансмиссионное масло, гидравлическое масло для техники Still.
Охлаждающие жидкости для погрузчиков Still.
Смазки для погрузчиков Still: спреи для смазки цепей погрузчиков Still, пасты для смазки узлов погрузчиков Still.
Жидкости для погрузчиков Still: тормозные жидкости для погрузчиков Still.
Каталог оригинальных запчастей для погрузчиков и складской техники Still
Так же мы предлагаем для погрузчиков Still:
Колеса и ролики для электроштабелеров, ричтраков, узкопроходных штабелеров и тележек Still
Навариваем полиуретаном изношеные колеса и ролики для электроштабелеров, ричтраков, узкопроходных штабелеров и тележек Still.
Цельнолитые и пневматические шины для погрузчиков Still
Осуществляем монтаж цельнолитых шин для погрузчиков Still на диски
Поставляем готовые колесные диски для погрузчиков Still
Изготавливаем любые колесные диски для погрузчиков Still по образцу или чертежу заказчика
Изготавливаем платформы для подъема людей устанавливаемая на погрузчик Still (люлька для подъема людей погрузчиком Still)
Удлинители вил для погрузчиков Still Forklift
Подбор запчастей для складской техники и погрузчиков Still по модели техники
Подбор запчастей для двигателей погрузчиков по модели двигателя
Подбор запчастей для погрузчика и складской техники по модели