4
Электрическая поводковая подъемная тележка EJE 
Легкость управления. Чрезвычайная маневренность благодаря компактным размерам. Максимальная надежность всех узлов. Экономия энергии достигает 25 %.
И это лишь четыре из многочисленных качественных характеристик наших электрических тележек EJE.
Для транспортировки товаров массой от 1,4 до 3,5 тонн на небольшие расстояния.
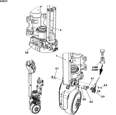
Рулевая система управления
Тяга / Digital(1x) 11.05.2011

1 - 1 - 000009155 ТЯГА (РУКОЯТЬ В СБОРЕ)
2 -
2.1 - 2 - 000019006 БОЛТ
2.3 - 1 - 000019015 МИКРОПЕРЕКЛЮЧАТЕЛЬ В СБОРЕ
2.4 - 1 - 000009157 ВИНТ С ШЕСТИГРАННЫМ ОТВЕРСТИЕМ В ГОЛОВКЕ
2.5 - 1 - 000019004 ДЕРЖАТЕЛЬ
2.6 - 1 ( 50 ) 000001635 ГРОВЕР
2.9 - 1 ( 50 ) 000029736 ШАЙБА
2.980 - 1 - 000009158 АДАПТЕР КАБЕЛЯ
2.981 - 1 - 000063272 КРЫШКА ПЕРЕКЛЮЧАТЕЛЯ (ПОЗИЦИЯ НЕ ПОКАЗАНА, ОПЦИОНАЛЬНО ДЛЯ РАБОТЫ В ТЯЖЕЛЫХ УСЛОВИЯХ)
3 - 1 - 000019164 ГАЗОВАЯ ПРУЖИНА
Рулевая система управления

000019015 МИКРОПЕРЕКЛЮЧАТЕЛЬ В СБОРЕ
---
1 - 1 - 000026422 ДЕРЖАТЕЛЬ
2 - 1 - 000019174 КУЛАЧОК
3 - 1 - 000042720 САМОРЕЗ
4 - 1 - 000042721 РЕГУЛИРОВОЧНАЯ ШАЙБА
5 - 1 - 000019563 МИКРОВЫКЛЮЧАТЕЛЬ
6 - 1 ( 20 ) 000042722 ПЛАСТИКОВЫЙ ХОМУТ
-
-
Если у Вас нет каталога запчастей и каталожных номеров запчастей для вашей складской техники или погрузчика Jungheinrich - не проблема!
Пришлите нам данные по технике (серийный номер или фото шильдика) и список необходимых запчастей, мы подберем нужные Вам запчасти.
Купите запчасти для погрузчиков Jungheinrich по каталожному номеру на сайте TotalParts.ru
Масло для погрузчика Jungheinrich: моторное масло для Jungheinrich, трансмиссионное масло для Jungheinrich, гидравлическое масло для техники Jungheinrich.
Охлаждающие жидкости для погрузчиков Jungheinrich.
Смазки для погрузчиков Jungheinrich: спреи для смазки цепей погрузчиков Jungheinrich, пасты для смазки узлов погрузчиков Jungheinrich.
Жидкости для погрузчиков Jungheinrich: тормозные жидкости для погрузчиков Jungheinrich.
Любые каталоги оригинальных запчастей для погрузчиков и складской техники Jungheinrich
Так же мы предлагаем для погрузчиков Jungheinrich:
Колеса и ролики для электроштабелеров, ричтраков, узкопроходных штабелеров и тележек Jungheinrich
Навариваем полиуретаном изношеные колеса и ролики для электроштабелеров, ричтраков, узкопроходных штабелеров и тележек Jungheinrich
Цельнолитые и пневматические шины для погрузчиков Jungheinrich
Монтаж цельнолитых шин для погрузчиков Jungheinrich на диски
Поставляем готовые колесные диски для погрузчиков Jungheinrich
Изготавливаем любые колесные диски для погрузчиков Jungheinrich по образцу или чертежу заказчика
Изготавливаем платформы для подъема людей на погрузчике (люлька для подъема людей погрузчиком Jungheinrich)
Удлинители вил для погрузчиков Jungheinrich Forklift
Печатки и спецодежда