4
ПОГРУЗЧИКИ JUNGHEINRICH DFG 430s:
ОПИСАНИЕ 
Устойчивые и эффективные автопогрузчики DFG 430 привлекают высокой производительностью обработки при решении любых задач по перевозке грузов. Будь то средние или большие дистанции, экстремальные погодные условия — благодаря выносливым и долговечным промышленным двигателям Kubota с производительной системой охлаждения газовые и дизельные погрузчики привлекают своей надежностью и универсальностью, прежде всего, при работе вне помещений. Ведущая ось с оптимизированным коэффициентом полезного действия с мокрым многодисковым тормозом обеспечивает высокую эффективность торможения. Компактная мачта со смотровыми окнами гарантирует наилучший обзор для быстрой и удобной обработки грузов. Другие преимущества погрузчиков, практически не требующих технического обслуживания, — максимальное снижение шума и низкий уровень вредных выбросов. Гидравлический усилитель рулевого управления для легкого и точного управления, увеличенное пространство для ног, а также оптимально согласованные компоненты и передовые технологии управления составляют основу сосредоточенной и эффективной работы оператора.
Особенности
Наилучший обзор во всех направлениях благодаря оптимальной конструкции мачты
Электрический стояночный тормоз для повышения безопасности
Надежные и эффективные промышленные двигатели Kubota
Функциональное рабочее место, отсутствие вибраций
Ведущая ось с необслуживаемым многодисковым тормозом в масляной ванне
Преимущества
Мощный и эффективный силовой агрегат
Закрытая высокоэффективная система охлаждения с комбинированным радиатором
Безопасная работа
Мачта с улучшенным обзором груза
Эргономичное рабочее место оператора
Простое техническое обслуживание
-
ТЕХНИЧЕСКИЕ ХАРАКТЕРИСТИКИ
Грузоподъемность (кг) = 3000
Максимальная высота подъема (мм) = 7500
Высота подъема (мм) = 2900-7500
Высота мачты в сложенном положении (мм) = 2122-3287
Высота мачты в выдвинутом положении (мм) = 3657-8237
Свободный ход (мм) = 150-2550
Расстояние до центра тяжести груза (мм) = 500
Высота защитной крыши (кабины) = 2180
Класс каретки = 3A
Ширина межстеллажного прохода, поддон 1000х1200 поперек (мм) = 4133
Ширина межстеллажного прохода, поддон 800х1200, вдоль (мм) = 4333
Радиус разворота (мм) = 2440
Мощность двигателя (кВт) = 36.5
Номинальная частота вращения (об/мин) = 2200
Число цилиндров/рабочий объем (см3) = 4 / 2434
Расход топлива (л/ч) = 3.3
Собственная масса (кг) = 4190
Общая длина (мм) = 3768
Ширина (мм) = 1296
Ширина каретки (мм) = 1120
Изготовитель двигателя/тип Kubota V2403-M-T
Страна производства = Германия
Тип двигателя = дизельный
-
Приводной узел- ДВС
Для примера взяли вилочный погрузчик Jungheinrich DFG 430s модификация GE115-500DZ серийный номер FN469472 / 2014 года выпуска
Мотор / DFG 425-435s 28.08.2018

-
70 - 1 - 000000311 СТАРТЕР В СБОРЕ DFG/TFG
-
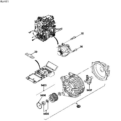
Выпрямитель-генератор / DFG; 140A 30.03.2012

-
10 - 1 - 000054269 ГЕНЕРАТОР 12V 140A В СБОРЕ
-
Колеса / Оси
Задние колёса
52022563 Колесо,суперэласт. / hi; SE 6.50-10 ws 14.09.2007

10 - 1 - 000056627 КОЛЕСНЫЙ ДИСК
20 - 1 - 000039910 ШИНА СУПЕРЭЛАСТИК С БОРТОМ
-
Передние колёса
52035096 Колесо,суперэласт. / vo; SE 27x10-12 HW 22.03.2007

10 - 1 - 000063647 ДИСК КОЛЁСНЫЙ
20 - 1 - 000036594 ШИНА СУПЕРЭЛАСТИК С БОРТОМ
-
Предусмотрено ТРИ варианта поиска запчасти для погрузчиков Юнгхайнрих и запасных частей складской техники Jungheinrich
Поиск запчастей для погрузчиков Юнгхайнрих
Если у Вас нет каталога запчастей и каталожных номеров запчастей для вашей складской техники или погрузчика Jungheinrich - не проблема!
Пришлите нам данные по технике (серийный номер или фото шильдика) и список необходимых запчастей, мы подберем нужные Вам запчасти.
Купите запчасти для погрузчиков Jungheinrich по каталожному номеру на сайте TotalParts.ru
Масло для погрузчика Jungheinrich: моторное масло для Jungheinrich, трансмиссионное масло для Jungheinrich, гидравлическое масло для техники Jungheinrich.
Охлаждающие жидкости для погрузчиков Jungheinrich.
Смазки для погрузчиков Jungheinrich: спреи для смазки цепей погрузчиков Jungheinrich, пасты для смазки узлов погрузчиков Jungheinrich.
Жидкости для погрузчиков Jungheinrich: тормозные жидкости для погрузчиков Jungheinrich.
Любые каталоги оригинальных запчастей для погрузчиков и складской техники Jungheinrich
Так же мы предлагаем для погрузчиков Jungheinrich:
Колеса и ролики для электроштабелеров, ричтраков, узкопроходных штабелеров и тележек Jungheinrich
Навариваем полиуретаном изношеные колеса и ролики для электроштабелеров, ричтраков, узкопроходных штабелеров и тележек Jungheinrich
Цельнолитые и пневматические шины для погрузчиков Jungheinrich
Осуществляем монтаж цельнолитых шин для погрузчиков Jungheinrich на диски
Поставляем готовые колесные диски для погрузчиков Jungheinrich
Изготавливаем любые колесные диски для погрузчиков Jungheinrich по образцу или чертежу заказчика
Изготавливаем платформы для подъема людей на погрузчике (люлька для подъема людей погрузчиком Jungheinrich)
Удлинители вил для погрузчиков Jungheinrich Forklift
Печатки и спецодежда
Подобрать запчасти для погрузчиков и складской техники Jungheinrich (Юнхайнрич) по модели техники
Подбор запчастей для погрузчика и складской техники по модели
Подбор запчастей для двигателей погрузчиков по модели двигателя