10
R20-15 STILL 
R20-16 STILL
R20-18 STILL
R20-20 STILL
R20 2008-2014
Для примера взяли вилочный погрузчик Still R20-15 серийный № 51 2008 014093 / 2001 года выпуска.
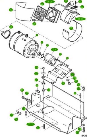
ЭЛЕКТРОМОТОРЫ
ELECTRIC MOTOR SYSTEM
ЭЛЕКТРОМОТОР НАСОСА ГИДРАВЛИКИ
PUMP MOTOR

1-62 - 1 - 000019001 ЭЛЕКТРОДВИГАТЕЛЬ НАСОСА ГИДРАВЛИКИ
1 - 1 - 000016580 РОТОР ЭЛЕКТРОДВИГАТЕЛЯ
НАСОС ГИДРАВЛИКИ
PUMP UNIT

-
4 - 1 - 000008729 ПЕРЕХОДНАЯ МУФТА D=30mm
4 - 1 - 000009253 ПЕРЕХОДНАЯ МУФТА D=34mm
-
Предусмотрено ТРИ варианта поиска запчасти для погрузчиков и складской техники: STILL
Если у Вас нет каталога запчастей и каталожных номеров запчастей для вашей складской техники или погрузчика Still - не проблема!
Пришлите нам данные по технике (серийный номер или фото шильдика) и список необходимых запчастей Still, мы подберем нужные Вам запчасти.
Купите запчасти для погрузчиков Still по каталожному номеру на сайте TotalParts.ru
Масло для погрузчика Still: моторное масло, трансмиссионное масло, гидравлическое масло для техники Still.
Охлаждающие жидкости для погрузчиков Still.
Смазки для погрузчиков Still: спреи для смазки цепей погрузчиков Still, пасты для смазки узлов погрузчиков Still.
Жидкости для погрузчиков Still: тормозные жидкости для погрузчиков Still.
Каталог оригинальных запчастей для погрузчиков и складской техники Still
Так же мы предлагаем для погрузчиков Still:
Колеса и ролики для электроштабелеров, ричтраков, узкопроходных штабелеров и тележек Still
Навариваем полиуретаном изношеные колеса и ролики для электроштабелеров, ричтраков, узкопроходных штабелеров и тележек Still.
Цельнолитые и пневматические шины для погрузчиков Still
Осуществляем монтаж цельнолитых шин для погрузчиков Still на диски
Поставляем готовые колесные диски для погрузчиков Still
Изготавливаем любые колесные диски для погрузчиков Still по образцу или чертежу заказчика
Изготавливаем платформы для подъема людей устанавливаемая на погрузчик Still (люлька для подъема людей погрузчиком Still)
Удлинители вил для погрузчиков Still Forklift
Подбор запчастей для складской техники и погрузчиков Still по модели техники
Подбор запчастей для двигателей погрузчиков по модели двигателя
Подбор запчастей для погрузчика и складской техники по модели