10
LINDE H25/30/35
Issuance: 12/2012
Validity: 11/2002 - 12/2012
ЗАПЧАСТИ ДЛЯ ПОГРУЗЧИКОВ LINDE H25 393-01 / H30 393-01 / H35 393-01 ПЕРИОД ПРОИЗВОДСТВА С 11/2002 ПО 12/2012
ФИЛЬТРЫ ДЛЯ ПОГРУЗЧИКОВ LINDE С ДВИГАТЕЛЕМ VOLKSWAGEN CBHA
000010466 ФИЛЬТР ВОЗДУШНЫЙ ВНЕШНИЙ
000012003 ФИЛЬТР ВОЗДУШНЫЙ ВНУТРЕННИЙ
000021954 ФИЛЬТР МАСЛЯНЫЙ ДВИГАТЕЛЯ
000000030 ФИЛЬТР ТОПЛИВНЫЙ
000003320 ФИЛЬТР ГИДРОСТАТИЧЕСКОЙ ТРАНСМИССИИ
000003350 ФИЛЬТР ГИДРАВЛИКИ ВХОДНОЙ СЕРИЙ ДО 393T05291
000028654 ФИЛЬТР ГИДРАВЛИКИ ВХОДНОЙ СЕРИЙ ПОСЛЕ 393T05292
000003321 ФИЛЬТР ГИДРАВЛИКИ КОНТУРА РУЛЕВОГО УПРАВЛЕНИЯ
000003340 ФИЛЬТР САПУН / КРЫШКА ГИДРАВЛИЧЕСКОГО ФИЛЬТРА БАКА
000035008 КОРОБ / ФИЛЬТР ВОЗДУШНЫЙ В СБОРЕ
ПЕРЕЧЕНЬ ЗАПЧАСТЕЙ ДЛЯ СЕРВИСНОГО ОБСЛУЖИВАНИЯ 1000 МОТОЧАСОВ
(1000h 391-01, 392-01, 393-01 Item Number 000034955 Category maintenance Comment - Linde Service Kit)
СОСТАВ:
000013168 ФИЛЬТР МАСЛЯНЫЙ ДЛЯ ПОГРУЗЧИКА LINDE
000000030 ФИЛЬТР ТОПЛИВНЫЙ ДЛЯ ПОГРУЗЧИКА LINDE
000003338 ФИЛЬТР ВОЗДУШНЫЙ ДЛЯ ПОГРУЗЧИКА LINDE
000033822 ФИЛЬТР ВАКУУМНОЙ СИСТЕМЫ ДЛЯ ПОГРУЗЧИКА LINDE
0009408182 МАСЛОАБСОРБИРУЮЩАЯ ТКАНЬ ИСПОЛЬЗУЕМАЯ ПРИ ТО ПОГРУЗЧИКА
ПЕРЕЧЕНЬ ЗАПЧАСТЕЙ ДЛЯ СЕРВИСНОГО ОБСЛУЖИВАНИЯ 3000 МОТОЧАСОВ
(3000h 391-01, 392-01, 393-01 Item Number 000034956 Category maintenance Comment - Linde Service Kit)
СОСТАВ:
000013168 ФИЛЬТР МАСЛЯНЫЙ ДЛЯ ПОГРУЗЧИКА LINDE
000000030 ФИЛЬТР ТОПЛИВНЫЙ ДЛЯ ПОГРУЗЧИКА LINDE
000003338 ФИЛЬТР ВОЗДУШНЫЙ ДЛЯ ПОГРУЗЧИКА LINDE
000003334 ФИЛЬТР ВОЗДУШНЫЙ ВНУТРЕННИЙ
000028654 ФИЛЬТР ГИДРАВЛИКИ
000003321 ФИЛЬТР ГИДРАВЛИКИ
000003320 ФИЛЬТР ГИДРАВЛИКИ
000003340 ФИЛЬТР САПУН
000034329 РОЛИК НАТЯЖЕНИЯ РЕМНЯ ГРМ
000013169 РЕМЕНЬ ГРМ
000003345 ПЛОСКИЙ РЕМЕНЬ ГЕНЕРАТОРА
0009408182 МАСЛОАБСОРБИРУЮЩАЯ ТКАНЬ ИСПОЛЬЗУЕМАЯ ПРИ ТО ПОГРУЗЧИКА
BEU VOLKSWAGEN 1.9 TDI | ПОЛНЫЙ КАТАЛОГ ЗАПЧАСТЕЙ ДВИГАТЕЛЯ VOLKSWAGEN 1.9 TDI BEU (DIESEL)
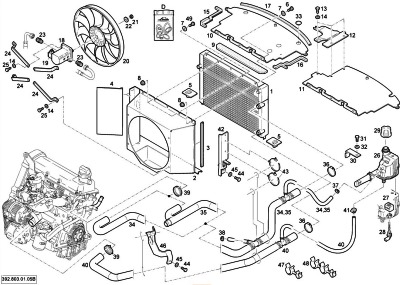
СИСТЕМА ОХЛАЖДЕНИЯ
01/08 COOLING SYSTEM VERSION DIESEL =>| H2X393W01905

1 - 1 - 000054076 РАДИАТОР
-
-
26 - 1 - 000036407 РАСШИРИТЕЛЬНЫЙ БАЧОК (Детали, которые постепенно снимаются с производства, включая 000063768)
26a - 1 - 000018751 РАСШИРИТЕЛЬНЫЙ БАЧОК (БЕЗ ДАТЧИКА)
26a - 1 - 000063767 РАСШИРИТЕЛЬНЫЙ БАЧОК (ПОД ДАТЧИК УРОВНЯ ВКЛЮЧАЯ 26a, 45-46)
-
СИСТЕМА ОХЛАЖДЕНИЯ
01/08A COOLING SYSTEM VERSION DIESEL H2X393W01906 |=>| 11/2009
Для примера взяли дизельный вилочный Linde H30D-01 серийный номер H2X393R01518 / 2004 года выпуска

1 - 1 - 000054077 РАДИАТОР
-
СИСТЕМА ОХЛАЖДЕНИЯ (ГАЗОВАЯ ВЕРСИЯ ДО 11/2009)
01/09 COOLING SYSTEM VERSION LPG =>| 11/2009
Для примера взяли газовый вилочный погрузчик LINDE H30T серийный № H2X393U05531 / 2007 года выпуска

-
26 - 1 - 000034884 КОМПЕНСАЦИОННЫЙ БАЧОК
26a - 1 - 000034885 КОМПЕНСАЦИОННЫЙ БАЧОК
26a - 1 - 000053934 КОМПЕНСАЦИОННЫЙ БАЧОК
-
СИСТЕМА ОХЛАЖДЕНИЯ (ГАЗОВАЯ ВЕРСИЯ ПОСЛЕ 12/2009 |=>)
01/09A COOLING SYSTEM VERSION LPG 12/2009 |=>
Для примера взяли вилочный Linde H30T-01 серийный номер H2X393C00718 / 2012 года выпуска.

-
26 - 1 - 000034885 РАСШИРИТЕЛЬНЫЙ БАЧОК
26 - 1 - 000053934 РАСШИРИТЕЛЬНЫЙ БАЧОК (ПОД ДАТЧИК УРОВНЯ, ВКЛЮЧАЯ ПОЗИЦИИ 26-28)
-
01/18 БАЛЛОН ДЛЯ ГАЗА
01/18 LPG TANK
Для примера взяли вилочный Linde H30T-01 серийный номер H2X393C00718 / 2012 года выпуска.

-
42 - 1 - 000054711 ГАЗОВАЯ ПРУЖИНА
-
ЭЛЕКТРИКА
ЭЛЕКТРИКА ПОГРУЗЧИКА С ДВИГАТЕЛЕМ VOLKSWAGEN BEU
Для примера взяли дизельный вилочный H35D-01 393 с двигателем VOLKSWAGEN BEU (Diesel) LINDE Hydrostatic HPV75-02
000007036 ЛАМПА ОСВЕЩЕНИЯ
000003383 РЕЛЕ УКАЗАТЕЛЕЙ ПОВОРОТА
000034999 ПЕРЕКЛЮЧАТЕЛЬ РУЛЕВОЙ КОЛОНКИ
000034979 ГЕНЕРАТОР ТОКА В СБОРЕ
000041485 ДАТЧИК ДАВЛЕНИЯ МАСЛА В ДВИГАТЕЛЕ
000025201 ДАТЧИК ТЕМПЕРАТУРЫ ОХЛАЖДАЮЩЕЙ ЖИДКОСТИ ДВИГАТЕЛЯ
000008784 ДАТЧИК ТЕМПЕРАТУРЫ КОРОБКИ ПЕРЕДАЧ - BEU ENGINE
000004150 ЗАМОК ЗАЖИГАНИЯ
000035001 КЛЮЧ ЗАМКА ЗАЖИГАНИЯ
000006553 КЛАКСОН В СБОРЕ
000000311 СТАРТЕР ДВИГАТЕЛЯ VOLKSWAGEN BEQ, BEU, ADG (ДЛЯ СЕРИЙНЫХ НОМЕРОВ ДО H2X393T04633)
Для примера взяли дизельный вилочный погрузчик LINDE H30D-01 / H2X393T04484 / 2006 года выпуска
ЭЛЕКТРИКА ПОГРУЗЧИКА С ДВИГАТЕЛЕМ VOLKSWAGEN CBHA
Для примера взяли дизельный вилочный H35D-01 393 с двигателем VOLKSWAGEN CBHA LINDE Hydrostatic HPV75-02
000007036 ЛАМПА ФАРЫ ОСВЕЩЕНИЯ
000003383 РЕЛЕ УКАЗАТЕЛЕЙ ПОВОРОТА
000034999 ПЕРЕКЛЮЧАТЕЛЬ РУЛЕВОЙ КОЛОНКИ
000034979 ГЕНЕРАТОР ТОКА В СБОРЕ
000041485 ДАТЧИК ДАВЛЕНИЯ МАСЛА В ДВИГАТЕЛЕ
000025201 ДАТЧИК ТЕМПЕРАТУРЫ ОХЛАЖДАЮЩЕЙ ЖИДКОСТИ ДВИГАТЕЛЯ
000041491 ДАТЧИК ТЕМПЕРАТУРЫ КОРОБКИ ПЕРЕДАЧ - CBHA ENGINE
000006553 КЛАКСОН В СБОРЕ
000004150 ЗАМОК ЗАЖИГАНИЯ
000035001 КЛЮЧ ЗАМКА ЗАЖИГАНИЯ
РАМА, КУЗОВ И ФИТИНГИ
03 CHASSIS, BODYWORK AND FITTINGS
ОБОГРЕВАТЕЛЬ КАБИНЫ / КОНСОЛЬ КОНДИЦИОНЕРА
03/23 HEATER / AIR CONDITIONING CONSOLE =>| 02/2010
Для примера взяли дизельный вилочный Linde H35D-01 серийный номер H2X393U01393, 2007 года выпуска
LINDE H35D / H2X393U01393 / 2007

-
19 - 1 - 000053038 РАДИАТОР ОБОГРЕВАТЕЛЯ КАБИНЫ
-
23 - 1 - 000003311 КРАН ОБОГРЕВАТЕЛЯ КАБИНЫ
-
РУЛЕВОЙ МОСТ
04/02 STEERING AXLE
РУЛЕВОЙ МОСТ ПО 06/2010
04/02A STEERING AXLE 302 =>| 06/2010
Для примера взяли вилочный погрузчик FENWICK - LINDE H35D серийный № H2X393W05578 / 2008

-
23 - 2 - 000007338 РУЛЕВАЯ ТЯГА В СБОРЕ
-
-
27 - 4 - 000003369 ПАЛЕЦ РУЛЕВОЙ ТЯГИ (В ЦИЛИНДР И В КУЛАК)
-
РУЛЕВОЙ МОСТ С 07/2010
04/02B STEERING AXLE 1602 07/2010 |=>
Для примера взяли вилочный погрузчик LINDE H35D-01 серийный № H2X393B03294 / 2011 года выпуска.

*
1 - 1 -
-
-
5 - 2 - 000058485 МАСЛОСЪЕМНОЕ КОЛЬЦО (МАСЛОСЪЕМНЫЙ САЛЬНИК)
6 - 2 - 000058375 ПРОСТАВОЧНОЕ КОЛЬЦО
7 - 2 - 000058484 МАСЛОСЪЕМНОЕ КОЛЬЦО (МАСЛОСЪЕМНЫЙ САЛЬНИК)
-
32 - 2 - 000007338 РУЛЕВАЯ СЕРЬГА В СБОРЕ
-
37 - 8 - 000003374 ЦИЛИНДРИЧЕСКИЙ ШТИФТ
-
-
-
-
ОСВЕЩЕНИЕ И СВЕТОВЫЕ УКАЗАТЕЛИ

13 - 2 - 000043864 СТОП-СИГНАЛ
ГИДРАВЛИКА
07 HYDRAULIC UNIT
Для примера взяли газовый вилочный погрузчик LINDE H30T серийный № H2X393U05531 / 2007 года выпуска
ЦИЛИНДРЫ НАКЛОНА
07/05 TILT CYLINDER

-
D - 1 - 000041771 КОМПЛЕКТ САЛЬНИКОВ ЦИЛИНДРА НАКЛОНА
-
МАЧТА
МЕХАНИЗМ КОНТРОЛЯ УГЛА НАКЛОНА МАЧТЫ

16 - 1 - 000003398 ПОТЕНЦИОМЕТР (ДАТЧИК) УГЛА НАКЛОНА МАЧТЫ
16a - 1 - 000003398 ПОТЕНЦИОМЕТР (ДАТЧИК) УГЛА НАКЛОНА МАЧТЫ
ЦИЛИНДРЫ ПОДЪЁМА (МАЧТА ТИП 188)
08/05 LIFT CYLINDER FOR STANDART LIFT MAST TYPE 188=>| H2X393P03433

D - 1 - 000044880 РЕМКОМПЛЕКТ ЦИЛИНДРА ПОДЪЁМА
КАРЕТКА БОКОВОГО СМЕЩЕНИЯ
ДЛЯ ПРИМЕРА ВЗЯЛИ ДИЗЕЛЬНЫЙ ВИЛОЧНЫЙ ПОГРУЗЧИК LINDE H35D-01 H2X393B03306 2011
а также
ДЛЯ ПРИМЕРА ВЗЯЛИ ДИЗЕЛЬНЫЙ ВИЛОЧНЫЙ ПОГРУЗЧИК LINDE H35T-01 H2X393R00405

Позиции по рисунку:
№5 - 2 - 000005330 ВТУЛКА
№7 - 2 - 000000170 МАНЖЕТА
№8 - 2 - 000002292 МАСЛОСЪЕМНОЕ КОЛЬЦО
№12 - 4 - 000020567 РОЛИК КАРЕТКИ
№13 - 4 - 000035331 ОСЬ
№16 - 2 - 000016753 ПРЕСС-МАСЛЕНКА
Предусмотрено ТРИ варианта поиска запчастей для погрузчиков Linde и запасных частей складской техники Линде
Поиск / подбор запчастей для погрузчиков Linde (Линда)
Если у Вас нет каталога запчастей и каталожных номеров запчастей для вашей складской техники или погрузчика LINDE - не проблема!
Пришлите нам данные по технике (серийный номер или фото шильдика) и список необходимых запчастей, мы подберем нужные Вам запчасти.
Купите запчасти для погрузчиков Linde по каталожному номеру на сайте TotalParts.ru
Масло для погрузчика Linde: моторное масло, трансмиссионное масло, гидравлическое масло для техники Linde.
Охлаждающие жидкости для погрузчиков Linde.
Смазки для погрузчиков Linde: спреи для смазки цепей погрузчиков Linde, пасты для смазки узлов погрузчиков Linde.
Жидкости для погрузчиков Linde: тормозные жидкости для погрузчиков Linde.
Каталог оригинальных запчастей для погрузчиков и складской техники Linde
Так же мы предлагаем для погрузчиков Linde:
Колеса и ролики для электроштабелеров, ричтраков, узкопроходных штабелеров и тележек Linde
Навариваем полиуретаном изношеные колеса и ролики для электроштабелеров, ричтраков, узкопроходных штабелеров и тележек Linde
Цельнолитые и пневматические шины для погрузчиков Linde
Осуществляем монтаж цельнолитых шин для погрузчиков Linde на диски
Поставляем готовые колесные диски для погрузчиков Linde
Изготавливаем любые колесные диски для погрузчиков Linde по образцу или чертежу заказчика
Изготавливаем платформы для подъема людей устанавливаемая на погрузчик Linde (люлька для подъема людей погрузчиком Linde)
Удлинители вил для погрузчиков Linde Forklift
Перейдите в раздел "информация" для просмотра контактов и последующего запроса запчастей если Вы не имеете каталожных номеров
Подобрать запчасти для погрузчика Линде по модели
Подобрать запчасти для погрузчика по модели
Подобрать запчасти для двигателей вилочного погрузчика по модели