14
-
КРЕПЛЕНИЕ МОТОРА
MOTOR
MOTOR MOUNTS LAST USED ON S/N F6A-7431

-
13 - 2 - 000039817 ПОДУШКА КРЕПЛЕНИЯ ДВИГАТЕЛЯ
-
MOTOR MOUNTS LAST USED ON S/N F6A-7432

-
8 - 2 - 000039817 ПОДУШКА КРЕПЛЕНИЯ ДВИГАТЕЛЯ
-
ТОПЛИВНЫЙ НАСОС (ДИЗЕЛЬНЫЙ ДВИГАТЕЛЬ PERKINS 1004-4)
LIFT PUMP DIESEL 1004.4

-
000014761 ТОПЛИВНЫЙ НАСОС НА ПОГРУЗЧИКИ HYSTER H7.00XL F006 СЕРИИ ДО F6A-3039
000010267 ТОПЛИВНЫЙ НАСОС НА ПОГРУЗЧИКИ HYSTER H7.00XL F006 СЕРИИ С F6A-3040
1 - 1 -
2 - 1 -
3 - 1 -
4 - 1 -
-
-
СИСТЕМА ТОРМОЗА
BRAKE
ТОРМОЗНЫЕ МАГИСТРАЛИ
BRAKE LINES
Для примера взяли погрузчик Hyster H7.00XL серийный № F006A08772T / 1996 года выпуска

-
6 - 1 - 000004424 ГЛАВНЫЙ ТОРМОЗНОЙ ЦИЛИНДР В СБОРЕ
7 - 1 - 000010991 ВАКУУМНЫЙ УСИЛИТЕЛЬ ТОРМОЗА *(УСИЛИТЕЛЬ СМОТРИ РИСУНОК 181)
8 - 1 - 000009329 ГЛАВНЫЙ ТОРМОЗНОЙ ЦИЛИНДР *(ГЛАВНЫЙ ЦИЛИНДР СМОТРИ РИСУНОК 181)
-
ТОРМОЗ - ПОСЛЕДНИЙ ИСПОЛЬЗОВАННЫЙ НА ПОГРУЗЧИКЕ С СЕРИЙНЫМ НОМЕРОМ F6A-3184
BRAKE LAST USED ON S/N F6A-3184

-
* 000003232 ТОРМОЗНАЯ СИСТЕМА В СБОРЕ ПРАВАЯ
* 000040806 ТОРМОЗНАЯ СИСТЕМА В СБОРЕ ЛЕВАЯ
-
4 - 1 - 000060983 ПРУЖИНА
5 - 1 - 000060984 ШАЙБА
6 - 1 - НЕ ПОСТАВЛЯЕТСЯ
7 - 1 - 000010192 ТОРМОЗНАЯ КОЛОДКА ПРАВАЯ
7 - 1 - 000010191 ТОРМОЗНАЯ КОЛОДКА ЛЕВАЯ
-
10 - 2 - 000060986 ДЕРЖАТЕЛЬ КОЛОДКИ
11 - 2 - 000060987 КОЛЬЦЕВОЙ ДЕРЖАТЕЛЬ
-
13 - 2 - 000010190 ТОРМОЗНАЯ КОЛОДКА НЕЙТРАЛЬ
14 - 1 - 000009936 КОЛЕСНЫЙ ТОРМОЗНОЙ ЦИЛИНДР
15 - 1 - 000040126 МЕХАНИЗМ РЕГУЛИРОВКИ ТОРМОЗА
-
ТОРМОЗ - ИСПОЛЬЗУЕТСЯ НА ПОГРУЗЧИКАХ С СЕРИЙНЫМ НОМЕРОМ F6A-3185 И ДАЛЕЕ
BRAKE LAST USED ON S/N F6A-3185

-
-
-
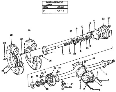
ВЕДУЩИЙ МОСТ
DRIVE AXLE

-
32 - 2 - 000010955 ТОРМОЗНОЙ БАРАБАН (ДО SN =>63534)
32 - 2 - 000010950 ТОРМОЗНОЙ БАРАБАН (ПОСЛЕ SN 63534=>)
-
Предусмотрено ТРИ варианта поиска запчасти для погрузчиков и складской техники Hyster
Если у Вас нет каталога запчастей и каталожных номеров запчастей для вашей складской техники или погрузчика Hyster - не проблема!
Пришлите нам данные по технике (серийный номер или фото шильдика) и список необходимых запчастей Hyster, мы подберем нужные Вам запчасти.
Купите запчасти для погрузчиков Hyster по каталожному номеру на сайте TotalParts.ru
Масла для погрузчика Hyster: моторное масло, трансмиссионное масло, гидравлическое масло для техники Hyster.
Охлаждающие жидкости для погрузчиков Hyster.
Смазки для погрузчиков Hyster: спреи для смазки цепей погрузчиков Hyster, пасты для смазки узлов погрузчиков Hyster.
Жидкости для погрузчиков Hyster: тормозные жидкости для погрузчиков Hyster.
Каталог оригинальных запчастей для погрузчиков и складской техники Hyster
Так же мы предлагаем для погрузчиков Hyster:
Колеса и ролики для электроштабелеров, ричтраков, узкопроходных штабелеров и тележек Hyster
Навариваем полиуретаном изношеные колеса и ролики для электроштабелеров, ричтраков, узкопроходных штабелеров и тележек Hyster.
Цельнолитые и пневматические шины для погрузчиков Hyster
Осуществляем монтаж цельнолитых шин для погрузчиков Hyster на диски
Поставляем готовые колесные диски для погрузчиков Hyster
Изготавливаем любые колесные диски для погрузчиков Hyster по образцу или чертежу заказчика
Изготавливаем платформы для подъема людей устанавливаемая на погрузчик Hyster (люлька для подъема людей погрузчиком Hyster)
Удлинители вил для погрузчиков Hyster Forklift
Перейдите в раздел "информация" для просмотра контактов компании и последующего запроса запчастей если Вы не имеете каталожных номеров
Вернутья к поиску запчастей Hyster по модели погрузчика
Подбор запчастей для двигателей погрузчиков по модели двигателя
Подбор запчастей для погрузчика и складской техники по модели