13
DAEWOO D50/70/80S2 (3ST)(SB1054) СЕР.№ FV / FX / GS
Для примера взяли вилочный погрузчик Дусан - Дэу D80S-2 серийный № GS-00155 2006 года выпуска.
УПРАВЛЕНИЕ АКСЕЛЕРАТОР, ТОРМОЗ И ДВИГАТЕЛЬ (КОЛОДОЧНЫЙ ТИП ТОРМОЗА)
FIG.8.03 A361038 CONTROL GP - ACCEL, BRAKE & INCHING (SHOE TYPE BRAKE)

14 - 1 - 000026728 СЕРВОПРИВОД ОСТАНОВКИ ДВИГАТЕЛЯ
ТОРМОЗНАЯ СИСТЕМА
000025625 ГЛАВНЫЙ ТОРМОЗНОЙ ЦИЛИНДР
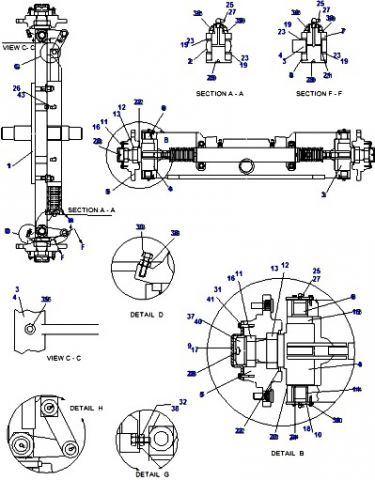
ВЕДУЩИЙ МОСТ
DRIVE AXLE GP PART 1 OF 2 D50/60/70/80S-2 OCDB TYPE

5 - 1 - 000022954 ГАЙКА
6 - 1 - 000023639 ВИЛКА ПРИВОДНОГО ВАЛА
7 - 1 - 000039583 МАСЛОСЪЕМНЫЙ САЛЬНИК
8 - 1 - 000016632 КОНИЧЕСКИЙ ПОДШИПНИК
13 - 1 - 000018317 КОНИЧЕСКИЙ ПОДШИПНИК
24 - 2 - 000007424 КОНИЧЕСКИЙ ПОДШИПНИК
33 - 1 - 00000005693 ПОЛУОСЬ ЛЕВАЯ
34 - 1 - 000026401 ПОЛУОСЬ ПРАВАЯ
35 - 1 - 000017082 ПРОКЛАДКА
36 - 1 - 000024921 ДИФФЕРЕНЦИАЛ В СБОРЕ
DRIVE AXLE GP PART 2 OF 2 D50/60/70/80S-2 OCDB TYPE

42 - 2 - 000008429 УПЛОТНЕНИЕ
43 - 2 - 000017189 УПЛОТНЕНИЕ
-
ШИНЫ И КОЛЕСА GP - ПНЕВМАТИКА (КОЛОДОЧНЫЙ ТОРМОЗ)
TIRE & WHEEL GP - PNEU.(SHOE TYPE BRAKE)

-
2А - 2 - 000029339 ДИСК КОЛЕСНЫЙ РУЛЕВОГО МОСТА 6.50-15 (6.5-15)
-
РУЛЕВОЙ МОСТ (УПРАВЛЯЕМЫЙ МОСТ)

-
1 - 1 - 000028459 БАЛКА РУЛЕВОГО МОСТА
2 - 1 - 000024404 РУЛЕВОЙ ГИДРАВЛИЧЕСКИЙ ЦИЛИНДР
- 2 - 000021586 ПЫЛЬНИК РУЛЕВОГО ЦИЛИНДРА
- 2 - 000017413 ХОМУТ ВИНТОВОЙ
3 - 1 - 000004840 ПОВОРОТНЫЙ КУЛАК ПРАВЫЙ
4 - 1 - 000004841 ПОВОРОТНЫЙ КУЛАК ЛЕВЫЙ
5 - 2 - 000009766 СТУПИЦА КОЛЕСА
- 6 - 000028598 ШПИЛЬКА РУЛЕВОЙ СТУПИЦЫ
- 1 - 000016699 СТУПИЦА КОЛЕСА (БЕЗ ШПИЛЕК)
6 - 2 - 000004842 ШКВОРЕНЬ
7 - 2 - 000004843 ТЯГА РУЛЕВОГО МЕХАНИЗМА ВЕРХНЯЯ
8 - 2 - 000004844 ТЯГА РУЛЕВОГО МЕХАНИЗМА НИЖНЯЯ
9 - 2 - 000028647 КРЫШКА СТУПИЦЫ
10 - 4 - 000004829 КРЫШКА ШКВОРНЯ
11 - 2 - 000028463 ОБОЙМА КОНИЧЕСКОГО ПОДШИПНИКА
12 - 2 - 000028464 ОБОЙМА КОНИЧЕСКОГО ПОДШИПНИКА
13 - 2 - 000028461 КРЫШКА КОНИЧЕСКОГО ПОДШИПНИКА
14 - 4 - 000004830 ПОДШИПНИК ИГОЛЬЧАТЫЙ
15 - 2 - 000021590 УПОРНЫЙ ПОДШИПНИК
16 - 2 - 000028462 КРЫШКА КОНИЧЕСКОГО ПОДШИПНИКА
17 - 2 - 000007670 ПРОКЛАДКА
18 - 4 - 000004831 ПРОКЛАДКА
19 - 8 - 000021588 РЕГУЛИРОВОЧНАЯ ШАЙБА
20 - 2 - 000004832 РЕГУЛИРОВОЧНАЯ ШАЙБА
21 - 2 - 000028646 ВТУЛКА
22 - 2 - 000028648 МАСЛОСЪЕМНЫЙ САЛЬНИК
23 - 8 - 000021589 УПЛОТНЕНИЕ
24 - 4 - 000004827 МАСЛОСЪЕМНЫЙ САЛЬНИК
25 - 8 - 000029712 ПРЕСС-МАСЛЕНКА
26 - 2 - 000011002 ФИТИНГ УГЛОВОЙ
27 - 8 - 000038774 РЕЗИНОВЫЙ КОЛПАЧОК
28 - 2 - 000028615 ШПЛИНТ
29 - 4 - 000021585 ПАЛЕЦ РУЛЕВОЙ
30 - 12 - 000004833 БОЛТ С ШЕСТИГРАННОЙ ГОЛОВКОЙ
31 - 12 - 000028645 БОЛТ С ШЕСТИГРАННОЙ ГОЛОВКОЙ
32 - 2 - 000061083 БОЛТ С ШЕСТИГРАННОЙ ГОЛОВКОЙ
33 - 2 - 000031897 БОЛТ С ШЕСТИГРАННОЙ ГОЛОВКОЙ
34 - 4 - 000011003 БОЛТ С ШЕСТИГРАННОЙ ГОЛОВКОЙ
35 - 2 - 000021591 ШПИЛЬКА С ШЕСТИГРАННЫМ ОТВЕРСТИЕМ В ГОЛОВКЕ
36 - 4 - 000021587 ГАЙКА
37 - 2 - 000028603 КОРОНЧАТАЯ ГАЙКА
38 - 4 - 000061084 ГАЙКА
39 - 2 - 000021592 РЕГУЛИРОВОЧНАЯ ШАЙБА
40 - 2 - 000028660 РЕГУЛИРОВОЧНАЯ ШАЙБА
41 - 12 - 000006464 ГРОВЕР
42 - 4 - 000033590 ГРОВЕР
43 - 2 - 000028144 КОЛЬЦЕВОЕ УПЛОТНЕНИЕ
-
Предусмотрено ТРИ варианта поиска запчасти для погрузчиков и складской техники: Daewoo Doosan
Купите запчасти DAEWOO DOOSAN для погрузчиков по каталожному номеру на сайте TotalParts.ru по наличию со склада в Москве
Если у Вас нет каталога запчастей Daewoo / Doosan и каталожных номеров запчастей погрузчика Daewoo - не проблема!
Пришлите нам данные по технике (фото шильдика) и перечень необходимых запчастей, мы подберем нужные Вам запчасти.
Масло для погрузчика Doosan-Daewoo (Дэу - Дусан): моторное масло двигателя для Doosan-Daewoo (Дэу - Дусан), трансмиссионное масло для Doosan-Daewoo (Дэу - Дусан), гидравлическое масло для техники Doosan-Daewoo (Дэу - Дусан).
Охлаждающие жидкости для погрузчиков Doosan-Daewoo (Дэу - Дусан).
Смазки для погрузчиков Doosan-Daewoo (Дэу - Дусан): спреи для смазки цепей погрузчиков Doosan-Daewoo (Дэу - Дусан), пасты для смазки узлов погрузчиков Doosan-Daewoo (Дэу - Дусан).
Жидкости для погрузчиков Doosan-Daewoo (Дэу - Дусан): тормозные жидкости для погрузчиков Doosan-Daewoo (Дэу - Дусан).
Любые каталоги оригинальных запчастей Doosan-Daewoo для погрузчиков и складской техники
Так же мы предлагаем для погрузчиков Doosan-Daewoo (Дэу - Дусан):
Колеса и ролики для электроштабелеров, ричтраков, узкопроходных штабелеров и тележек Doosan-Daewoo (Дэу - Дусан)
Навариваем полиуретаном изношеные колеса и ролики для электроштабелеров, ричтраков, узкопроходных штабелеров Doosan-Daewoo (Дэу)
Цельнолитые шины, пневматические шины и бандажные для погрузчиков Doosan-Daewoo (Дэу - Дусан)
Цепи протовоскольжения для погрузчиков Doosan-Daewoo
Шиномонтаж цельнолитых шин для погрузчиков на диски - "перебортировка литых и бандажных шин для погрузчиков и складской техники
Поставляем готовые колесные диски для погрузчиков Doosan-Daewoo (Дэу - Дусан)
Изготавливаем любые колесные диски для погрузчиков Doosan-Daewoo (Дэу - Дусан) по образцу или чертежу заказчика
Изготавливаем платформы для подъема людей на погрузчике (люлька для подъема людей погрузчиком Doosan-Daewoo
Удлинители вил для погрузчиков Doosan-Daewoo (Дэу - Дусан)
Печатки и спецодежда
Есть вопрос? Нужна помощь? Мы здесь для вас и рады помочь!
Свяжитесь с одним из наших специалистов, перейдя в раздел "информация" непосредственно по телефону или электронной почте.
Вернутья к поиску запчастей Дэу по модели погрузчика
Подбор запчастей для двигателей погрузчиков по модели двигателя
Подбор запчастей для погрузчика и складской техники по модели